UKW-Bastelradio - Erfahrungsbericht

 

1. Der Hintergrund:

Mein geliebtes Garagenradio hatte nach nur 50 Jahren seinen Dienst quittiert.
Das war ein ausgebautes Autoradio, das am Ladegerät betrieben wurde.
Und weil moderne Geräte offensichtlich nicht ohne eine umfangreiche Klaviatur funktionieren können, muss man sich sowas selber bauen.

2. Die Wochenendbastelei:

Also habe ich für kleines Geld Gehäuse, Empfänger und Verstärker gekauft und alles zusammengebaut.
Man muss lediglich Vorder- und Rückfront ein wenig bearbeiten. Das ist locker an einem Wochenende zu schaffen.

Der Empfänger konnte mich nicht überzeugen. Vorher weiß man das natürlich nicht.
Jedenfalls muss das doch irgendwie besser gehen.

3. Die Winterbastelei:

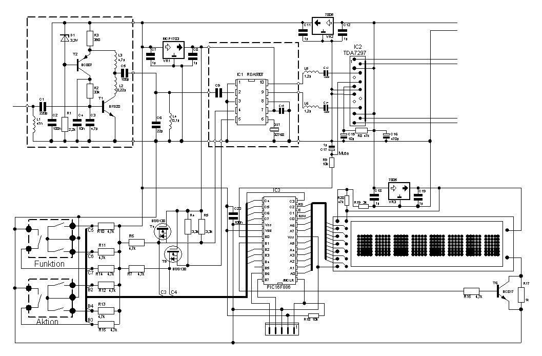
Den Eigentlichen Empfänger-IC gibt es in Form eines kleinen Moduls zu kaufen. Dort sind Eingangs- und Abblockkondensator sowie der Quarz bereits enthalten. Es hat ein Anschlussraster von 2 mm, wodurch es sich einfacher verbauen lässt.

Leider ist die Dokumentation etwas lückenhaft. Deshalb schreibe ich das hier.

Da gibt es ein Datenblatt bei dem die Beschreibung der Register unvollständig ist. Und weil es schwierig ist, unbekannte Hardware zu programmieren, finden sich im Netz teilweise recht abenteuerliche Lösungen.
Nach längerem Suchen findet man aber tatsächlich eine Programmieranleitung. Die war im Original Chinesisch. Ich hatte die dann an einen Online-Übersetzer verfüttert. Mit der entstandenen Qualität muss man sich eben abfinden.
Die beiden Dokumente ergänzen sich ziemlich gut. Es gibt nur wenige widersprüchliche Aussagen.

Ein Beispiel: Im Datenblatt fehlt einfach mal die Angabe zu den Registerbits 05h,7:6. Laut Programmieranleitung wird aber der Eingang abgeschaltet, wenn dort 00 steht. Aufschluss gibt Table 7-2 im Datenblatt.

Weiterhin sollte man die angegebenen Wartezeiten unbedingt einhalten. Denn der RDA benötigt tatsächlich mitunter viel Zeit, um sich die geschriebenen Bits richtig einzusortieren.
Besonders nach Reset/Initialisierung treten sonst Fehlfunktionen auf.

Kurze Beschreibung: Grundlage bilden die Routinen zur Kommunikation mittels I2C.
Darauf bauen die Routinen zur Steuerung des RDA auf. Das sind z.B. Reset, Scan, Tune, Volume...
Daneben gibt es Teile zur Displaysteuerung, zur Encoderauswertung und zur Erzeugung eines Zeittaktes.
Ein Hauptprogramm koordiniert das alles. Hier kann sich dann jeder seinen Bedürfnissen entsprechend austoben.
Bei mir ist die Bediensystematik technisch orientiert. Ein Knopf bestimmt, was verändert werden soll und der andere den jeweiligen Zielwert.

Ich habe einen PIC verwendet. Bei der Speicherbelegung ist noch viel Luft nach oben, sodass nichts umgeschaltet werden muss. Weil das LCD nur mit 5 V zu bekommen war, gibt es eine Pegelanpassung für I2C. Das Vorverstärkerchen ist nachträglich dazu gekommen, damit der RDA auch etwas schwächere Sender empfangen kann.